Talamex Trailerlier wt 73-12 – 1 velocidad, libre y posición de trinquete
Talamex Trailerlier wt 73-12 – 1 velocidad, libre y posición de trinquete está agotado y se enviará tan pronto como vuelva a estar disponible.
No se ha podido cargar la disponibilidad de recogida
Atención al cliente con personas reales
Atención al cliente con personas reales
Con nosotros, puede ponerse en contacto con nuestro equipo especializado de atención al cliente con todas sus preguntas. El equipo estará encantado de ayudarte y podrás contactar con ellos por correo electrónico, chat o teléfono.
Envío gratuito
Envío gratuito
- Con pedidos a partir de 100€, te beneficias de envío gratuito dentro del Benelux
- Plazo de devolución de 14 días
Pago seguro en línea
Pago seguro en línea
Pago rápido y seguro con IDeal, Creditcard, Paypal, Klarna, Bancontact, Apple pay y Google pay, entre otros.
El cabrestante para remolque Talamex wt 73-12 de la serie Medium es un cabrestante compacto con 1 velocidad. Este cabrestante cuenta con una posición de embrague libre y una posición de trinquete en ambas direcciones. Opcionalmente, está disponible una cubierta protectora de engranajes.
Puntos fuertes
- 1 velocidad para un manejo sencillo
- Posición de embrague libre
- Posición de trinquete en ambas direcciones
- Opcional: cubierta protectora de engranajes
Especificaciones
- Marca: Talamex
- Serie: Medium
- Modelo: wt 73-12
- Velocidades: 1
- Funciones: posición de libre giro y posición de trinquete en ambas direcciones
- Opción: cubierta protectora de engranajes (se vende por separado)
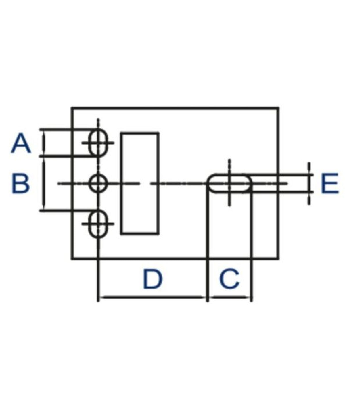
- Dimensiones: A = 16 mm, B = 32 mm, C = 36 mm, D = 65 mm, E = 10 mm
- MPN: 76708000
Este cabrestante para remolque ofrece funciones prácticas para enrollar y desenrollar de forma controlada. Gracias al embrague libre y al trinquete en ambas direcciones, el cabrestante funciona de manera suave y versátil para diversas aplicaciones de remolques.
Paga con seguridad
Formas de pago
Sus datos de pago se procesan de forma segura. No almacenamos ninguna información de tarjetas de crédito y no tenemos acceso a los datos de su tarjeta de crédito.

