Talamex Anhängerwinde Popular wt 73-10 – Freilauf und Ratschenmodus
Talamex Anhängerwinde Popular wt 73-10 – Freilauf und Ratschenmodus ist auf Lager und wird versandt, sobald es wieder verfügbar ist
Verfügbarkeit für Abholungen konnte nicht geladen werden
Kostenloser Versand möglich
Kostenloser Versand möglich
- Bei Bestellungen ab 100 € profitieren Sie vom kostenlosen Versand innerhalb der Benelux-Länder
- Rückgabefrist von 14 Tagen
Sichere Online-Zahlung
Sichere Online-Zahlung
Bezahlen Sie schnell und sicher mit iDeal, Kreditkarte, Paypal, Klarna, Bancontact, Apple Pay und Google Pay.
Die Talamex Populair Anhängerwinde WT 73-10 ist eine Ein-Gang-Winde aus der Populair-Serie. Diese Anhängerwinde bietet einen Freilaufmodus und einen einseitigen Ratschenmodus. Ein Getriebeschutz ist optional erhältlich.
Eigenschaften und Vorteile
- 1 Gang
- Freilaufmodus
- Raststellung in 1 Richtung
- Teil der Talamex Popular-Serie
- Optional: Getriebeschutzabdeckung
Technische Daten
- Marke: Talamex
- Serie: Beliebt
- Typ: Anhängerwinde
- Gänge: 1
- Funktionen: Freilaufmodus, Ratschenmodus in 1 Richtung
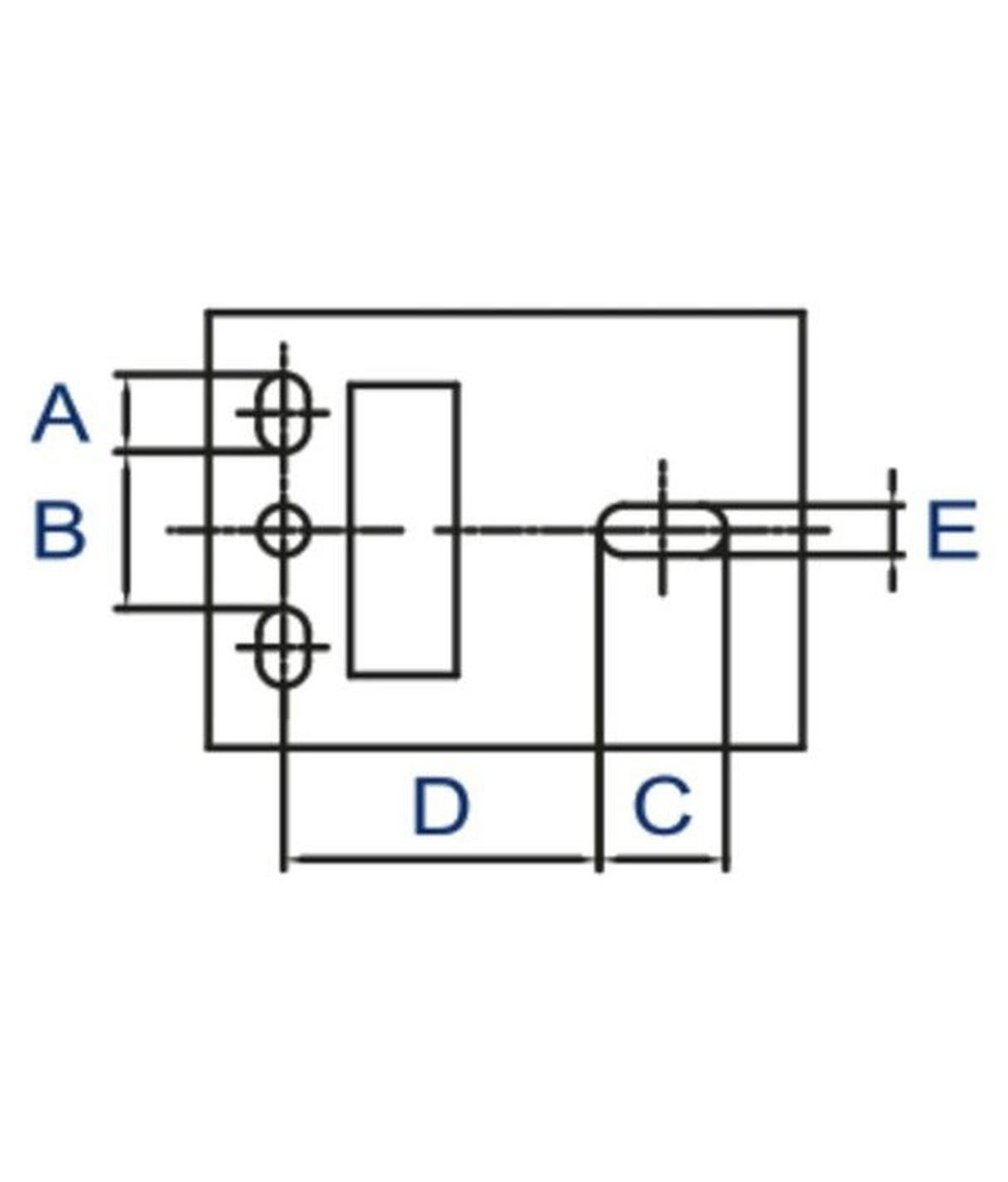
- Abmessungen: A: 16 mm, B: 32 mm, C: 26 mm, D: 65 mm, E: 10 mm
- Optionen: Getriebeschutzabdeckung (optional)
- MPN: 76707000
Diese Talamex Anhängerwinde aus der Populair-Serie vereint einen Einzelgang mit Freilauf und Ratschenbetrieb in eine Richtung sowie kompakte Abmessungen (A–E). Eine praktische Wahl, wenn Sie eine Anhängerwinde mit diesen Eigenschaften und den angegebenen Abmessungen suchen.
Sichere Bezahlung
Zahlungsarten
Ihre Zahlungsdaten werden sicher verarbeitet. Wir speichern keine Kreditkarteninformationen und haben keinen Zugriff auf Ihre Kreditkarteninformationen.

